基礎知識
1.常用電線
⑴ 裸導線:一般為架空線路的主體,輸送電能。
① 裸單線:TY 銅質圓單線 LY 鋁質圓單線
② 裸絞線:TJ 銅絞線 LJ 鋁絞線 LGJ 鋼芯鋁絞線
⑵ 絕緣電線;種類很多,一般明明規則都是如下圖所示:

BV:銅芯塑料絕緣線
BX:銅芯橡膠絕緣線
BLV:鋁芯塑料絕緣線
BVV:銅芯塑料絕緣護套線
BLVV:鋁芯塑料絕緣護套線
BV:銅芯塑料絕緣線
BVV:銅芯塑料絕緣護套線
例:BV— 2.5
BVV— 4
ZRBLV—25
NHBX—10
2.電纜:
多芯導線,在電路中起著輸送和分配電能的作用,電氣裝備用電線電纜及電力電纜的型號主要由以下七部分組成:
1.類別、用途代號 2.導體代號 3.絕緣層代號 4.護層代號 5.特征代號 6.鎧裝層代號 7.外護層代號 [1]
1.絕緣種類:V代表聚氯乙烯;X代表橡膠;Y代表聚乙烯;YJ代表交聯聚乙烯;Z代表紙。
2.導體材料:L代表鋁;T(省略)代表銅。
3.內護層:V代表聚氯乙烯護套;Y聚乙烯護套;L鋁護套;Q鉛護套;H橡膠護套;F氯丁橡膠護套。
4.特征:D不滴流;F分相;CY充油;P貧油干絕緣;P屏蔽;Z直流。
5.鎧裝層:0無;2雙鋼帶;3細鋼絲;4粗鋼絲。
6.外被層:0無;1纖維外被;2聚氯乙烯護套;3聚乙烯護套。
7.阻燃電纜在代號前加ZR;耐火電纜在代號前加NH;防火電纜在代號前加DH。
電纜的組成:線芯、絕緣層、保護層。
電纜按用途可分為:
⑴ 電力電纜:用來輸送和分配大功率電能
a、聚氯乙烯絕緣聚氯乙烯護套電力電纜
VV VLV
例:VV22 - 4×120+1×50
表示4根截面為120mm2和1根截面為50mm2的銅芯聚氯乙烯絕緣,鋼帶鎧裝聚氯乙烯護套五芯電力電纜。
VV電纜
b、交聯聚乙烯絕緣聚氯乙烯護套電力電纜
YJV YJLV
例:YJV22 - 4×120
表示4根截面為120mm2的銅芯交聯聚乙烯絕緣,鋼帶鎧裝聚氯乙烯護套四芯電力電纜。
YJV電纜
⑵ 控制電纜:用于傳輸控制電流
常用控制電纜:KVV KVLV

KVV
⑶ 通信電纜:用于傳輸信號和數據
① 電話電纜:HYY HYV
② 同軸射頻電纜:STV-75-4
電纜按絕緣層可分為:
油浸紙絕緣 Z
橡皮絕緣 X
塑料絕緣 V、Y
⑷ 電纜附件
電纜終端頭:電纜與配電箱的連接處, 一根電纜兩個電纜頭
電纜中間頭:用于電纜的延長,隔250m設一個
3.母線
⑴ 軟母線:用于35kV以上的高壓配電裝置中

⑵ 硬母線:用于高低壓配電所
TMY:硬銅母線
LMY:硬鋁母線
4、線路敷設方式代號
TC:用電線管敷設

SC:用焊接鋼管敷設

SR:用金屬線槽敷設

CT:用橋架敷設

PC:用硬塑料管敷設
PEC:用半硬塑料管敷設

5、線路敷設部位代號
WE:沿墻明敷 WC:沿墻暗敷
CE:沿頂棚明敷 CC:沿頂棚暗敷
BE:沿屋架明敷 BC:沿梁暗敷
CLE:沿柱明敷 CLC:沿柱暗敷
FC:沿地板暗敷 SCC:在吊頂內敷設
6、線路在平面圖上的表示
a-b (c × d) e - f
a :線路編號 b:導線型號
c :導線根數 d :導線截面
e :線路敷設方式 f :線路敷設部位
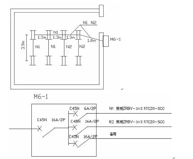
例:N1 BV-3×4 SC20 –FC
表示:N1回路,3根4mm2的銅芯聚氯乙烯塑料絕緣線,穿DN20的焊接鋼管沿地板敷設
7、燈具在平面圖上的表示
a :燈具數量 b:燈具型號 c :燈泡數量 d :燈泡容量,W e :燈具安裝高度 f :燈具安裝方式(X吸頂,B壁安,G吊桿式,L吊鏈式,R:嵌入式) L:光源種類
例:

8、電氣工程系統圖的識讀
⑴ 識讀程序:
先看圖紙目錄,再看施工說明,了解圖例符號,系統結合平面。
⑵ 識讀要點:
① 供電方式和相數:高壓還是低壓供電,單相還是三相
② 進戶方式:電桿進戶、沿墻邊埋角鋼進戶、地下電纜進戶
③ 線路分配情況
④ 線路敷設方式:絕緣子布線、管子布線、線槽布線、電纜布線等
⑤ 照明設備器具的布置:安裝高度及平面位置
⑥ 接地防雷情況
⑶ 識讀脈絡:進戶線 — 總配電箱 — 干線 — 分配電箱 — 支線 — 用電設備


    當前文章:建筑電氣施工圖紙中BV、ZRBLV和TC、SC符號代表什么?
    
    當前鏈接:http://www.yijiale78.com/hangye/sdgz/n13074.html
  
聲明:本網站發布的內容(圖片、視頻和文字)以用戶投稿、用戶轉載內容為主,如果涉及侵權請盡快告知,我們將會在第一時間刪除。文章觀點不代表本網站立場,如需處理請聯系客服。電話:028-86922220;郵箱:631063699@qq.com。內容未經允許不得轉載,或轉載時需注明來源: 創新互聯
